Features
- 3U VPX XMC Carrier Board
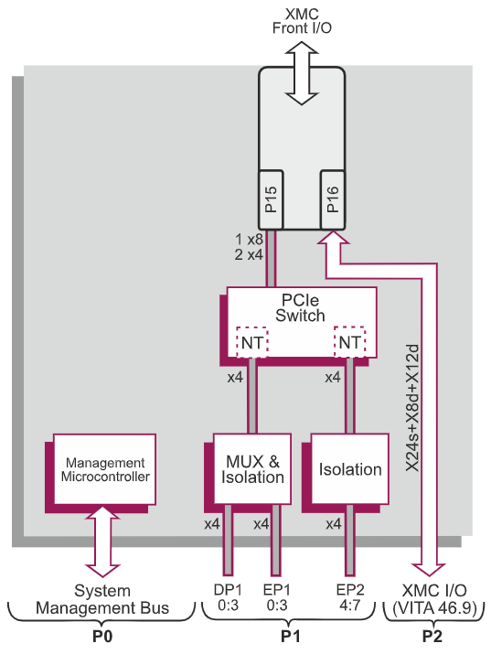
- One XMC site with front or rear I/O options
- PCI Express® Gen 3 capable
- Flexible configuration to either data or expansion plane fabrics
- PCIe switch ports with optional non-transparent bridge
- VITA 46.11 Management Controller
TR XMC/m11 is a 3U VPX carrier for an XMC expansion module supporting PCI Express® gen 3 for high performance. Designed to work with a number of different processor cards, TR XMC/m11 has switches to allow the user to configure the PCI Express® link from either the data or expansion plane on the backplane.
Datasheet TR XMC/m11
